做一流企业    塑一流品牌
咨询热线:0577-62912988
产品分类
联系我们
地址:浙江乐清北白象万茗东路1-2 号
电话:0577-62912988
手机:13757785600
传真:0577-62912166
邮编:325603
网站:www.yqngdq.com
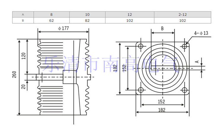
套管 TG4-10Q / 182

COPYRIGHT © 2017 乐清市南高电气开关厂 版权所有    浙ICP备16043013号
新中式家具-协艺家具